1 概述
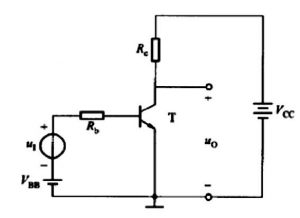
模擬電子技術是電子類專業專業必修課程, 其中的基本共射放大電路是該門課程里的入門基礎內容, 用于討論晶體三極管的放大作用。在原理型的單管共射放大電路 (圖1) 的基礎上, 引出了阻容耦合單管共射放大電路以改善電路性能, 如下圖2所示。該電路是一個經典的實用的放大電路。
圖2電路相較于圖1的一個很大的改變是增加了三個電容, 兩個耦合電容C1、C2和一個旁路電容Ce。改進后的電路遵守使輸入信號能夠放大所必須遵守的原則, 即動態輸入信號能夠順利地傳送到放大管上進行放大, 同時在性能的改變上可以歸結為以下幾點:
(1) 只有一個直流電源, 節約了電路;
(2) 輸入信號、直流電源、輸出信號均有一端接在公共端即共地, 更好地防止了干擾;
(3) 直流通路和交流通路的分離;
(4) 具有穩定靜態工作點穩定的優點;
(5) 頻率響應發生了變化。
上述性能的改變是該電路結構及元件共同作用的結果。對于一些很明顯的性能的改變無需累述, 如性能 (1) 。有些性能的改變在很多教科書上都做了詳細的講解, 如性能 (4) 。而對于該電路里的電容的具體工作過程及原理, 卻總是簡單地帶過。通過教學的經驗感受, 電容在該電路發揮作用的原理是一個難點, 不容易理解, 所以本文將重點討論該電路里電容的具體工作過程及原理, 及加上電容后電路性能的改變結果。
2 什么是電容
電容器都是由間隔以不同介質的兩塊金屬極板組成, 當在極板上加以電壓后, 極板上分別聚集起等量的正負電荷, 并在介質中建立電場而具有電場能量。將電源移去后, 電荷可繼續聚集在極板上, 電場繼續存在。所以電容器是一種能存儲電荷或者說儲存電場能量的部件[2]。
通過上述定義的描述, 可以知曉電容內部是沒有電子流動, 只有兩塊極板上電荷的變化。
3 電容分析
3.1 交直流通路的分離
對于圖1的原理性電路, Rb和Vbb一起為電路設置合適的靜態工作點, 但是Rb的存在, 同樣會讓信號ui在Rb上產生壓降, 則輸入到放大器上的信號就相應減少了, 影響了整個電路的放大能力。而圖2所示電路, 因為耦合電容的存在, 讓交流通路和直流通路分開, 則很好地解決了這個問題。
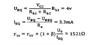
圖2的直流通路如圖3所示, 因為耦合電容的作用, 信號源的內阻和負載對直流通路都沒有影響。該電路在設計時使得I2>>IBQ, 則UBQ約等于Rb2對Vcc的分壓, 其值幾乎不變。該電路的Re為負反饋電阻, 和UBQ一起配合使該電路具有靜態工作點穩定的效果, 減小溫度對靜態工作點的影響。

圖3 ??下載原圖
交流通路如圖4所示, 可以看出, 交流信號直接加在了放大器上, 幾乎沒有損耗, 直流電壓Vcc在集電極上產生的壓降降落在C2上, 使得輸出uo為純交流信號。上述Re的存在, 能使電路形成負反饋穩定靜態工作點, 但是同時Re電阻的存在, 會使電路的放大倍數大大降低。為了解決這個問題, 便在Re上并聯一個旁路電容Ce, 使該電阻并不對交流通路產生影響, 如圖4所示。
述為耦合電容和旁路電容作用的結果, 但是這樣的結果是怎樣實現的呢?
根據前述電容的定義, 得知電容內部并沒有帶電粒子的運動, 只是把電荷存儲在兩塊極板上, 每塊極板上存儲的電荷為q=Cu。即對于線性電容元件, 其容值越大, 極板上存儲的電荷量越大。電容內部沒有電荷的運動但是可以傳遞電流, 電流公式為, 通過這個公式可以從兩方面進行理解。
(1) 電容上的電流的形成是因為電容兩塊極板上電荷量的變化, 其上電荷量會增大或減小, 即收集電荷或者釋放電荷, 雖然電荷沒有在兩塊極板間形成流動, 但是兩塊極板上不同電荷相同的變化量, 與每塊極板連接的導線上就有了相同的電流變化量, 相當于傳遞了電流信號。
(2) 由電容元件的電流公式可以看出, 電流與電壓的變化率成正比, 電容上電壓發生劇變時, 電流很大, 當電壓不隨時間變化時, 電流為零。故電容在直流情況下其兩端電壓恒定, 相當于開路, 或者說電容有隔斷直流的作用。
因此, 電容上相當于只能通過交流信號, 不能通過直流信號。阻容耦合電容及旁路電容就把直流通路和交流通路分離了。
3.2 通頻帶的影響
3.2.1 工作原理
如果沒有加上耦合電容, 則任何低頻的信號甚至直流都能傳送到放大器上, 但是加上耦合電容后, 使得只有到了一定的頻率的信號才能通過電路進行放大, 使得電路的通頻帶變窄了。
在圖2所示的電路中, 耦合電容和旁路電容對信號構成了高通電路。電容的容抗為, 可以看出, 對于直流, f=0, 即電容對直流的容抗無限大, 相當于斷路 (這也從另一個方面說明了電容隔直流通交流) ;如果希望頻率較低的輸入信號也能通過電容, 幾乎無損失地加在放大器的基極與發射機之間, 則希望耦合電容和旁路電容的容值足夠的大。由于放大器的極間電容的容值非常小, 在p F級別, 因此在同樣的低頻段信號, 極間電容表現為容抗很大相當于開路。對于圖2, 在低頻段時, 等效電路如圖5所示。
上圖5構成的低頻等效電路中, 由于含有多個耦合電容和旁路電容, 則含有多個高通電路。對于C1、C2構成高通電路是毫無疑問的, 但是Ce為何也是構成的高通電路呢?以極限例子進行分析, 并且分析Ce影響時, 假設C1和C2電容不影響電路性能, 即這兩個耦合電容短路。
(1) 假設從信號源傳過來的信號是直流, 則Ce斷路, 則放大器及Ce這塊電路等效電路如圖6所示。可以看出, 從信號源傳過來的信號, 被rbb′、rb′e及Re進行分壓, 由于Re相對與rbe較大, 甚至可能更大, 所以Re分掉了很大一部分的信號, 則通過gmUb′e傳送到后面的信號則相對的變小。
(2) 假設從信號源傳過來的信號頻率較高, Ce相當于短路, 則此時放大器及Ce構成的等效電路如圖7所示。可以看出, 從左邊傳過來的信號沒有被Re損耗掉, 只被放大器的等效電阻所分配, 有效地傳送到了后面電路。
通過上面的討論可以得出, 對于Ce電容構成的這一級電路也是構成高通電路, 具有高通電路的特性。即對于頻率足夠高的信號電容相當于短路, 信號幾乎毫無損失的傳遞, 而當信號頻率低到一定程度時, 電容的容抗不可忽略, 信號將在其上產生壓降, 從而導致放大倍數的數值減小且產生相移。
3.2.2 電容對下限頻率的影響
現用multisim12軟件進行仿真分析這三個電容對下限頻率的影響。
設圖2電路的元件參數如圖8所示以設置合適的靜態工作點, 然后依次改變C1、C2、Ce三個電容的容值, 觀察對比三個電容容值改變時對下限頻率的影響。其中圖9為C1、C2、Ce都為10u F時的波特圖作為參考, 其余圖為依次改變C1、C2、Ce從1u F到100u F的仿真波特圖。每次改變其中一個電容時, 其余兩個電容容值保持10u F不變。得出的數據歸納為表1。
通過表1的數據可以分析出, 三個電容中改變C1、C2從1u F到100u F, 下限頻率幾乎沒有什么變化。而改變C e電容容值對下限頻率的影響卻非常大, 改變該電容的值從一個數量級到另外一個數量級, 下限頻率也幾乎是相同數量級的改變。究其原因, 是因為這三個電容所在的高通回路的時間常數很不相同。時間常數決定了下限頻率, 而在多級放大電路中, 若某級的下限頻率遠高于其他各級的下限頻率, 則可認為整個電路的下限頻率近似為該級的下限頻[1]。
表1 ??

在高通回路里, 下限頻率的公式為:, RC為回路的時間常數, 下限頻率與時間常數成反比, 時間常數越小, 下限頻率越大。
現取圖8里2N2222的放大倍數為154 (仿真器使用倍數) , rbb′=300, 電容值都為10u F進行計算。首先通過圖3直流通路求得:

(1) 分析C1對低頻特性的影響, 此時將C2、Ce視為理想情況, 電容短路, 則等效回路如圖16所示:
此時

(2) 同理, 分析C2對低頻特性的影響, 等效電路如圖17所示。
此時
(3) 分析Ce對低頻特性的影響, 等效電路如圖18所示。此時C1、C2視為短路, 且三極管的集電極和發射機之間的等效電阻非常大, 因此Ce的等效低頻回路在c、e之間示為斷路, 即在該級回路中, 后面電路元件參數不對該回路產生影響。
此時

經過上面的計算, 可以得出, 當這三個電容容值相同時, Ce所在回路的時間常數比C1、C2所在回路時間常數明顯的小, 且小兩個數量級。帶入下限頻率計算公式可得出Ce所在回路的下限頻率比其余兩個電容所在回路的下限頻率幾乎高兩個數量級, 所以在該電路中, 即使把C1、C2兩個電容的容值減小到1u F, 它們構成的時間常數依然要比Ce構成的時間常數大很多, 整個電路的下限頻率依然受Ce電容的很大的影響。
3.3 電容的接法
根據上述討論, 可以得出圖2電路的C1、C2、Ce都希望其容值較大, 需要達到u F級別, 使信號既能夠隔直流通交流, 又使電路的下限截止頻率較低。由于工藝原因, 對于小容量電容可以做成無極性電容, 但對于大容量電容, 通常需要做成有極性電容。而有極性的電容, 想要正常工作, 其極性必須正確連接, 對于圖2需要的耦合電容和旁路電容, 其極性需如圖2連接方能使電容正常工作。
對于靜態時, 其電路如圖3所示, 此時電容C1連接在B點與信號源之間, 在分析靜態時, 假設信號源為0, 則此時的C1上兩塊極板之間的電壓為UBQ, 連接到B點的極板上就會積累正電荷, 為正極, 而連接信號源一邊的極板上就會積累負電荷, 為負極。同理電容C2連接在集電極的一極為正極, 積累正電荷, 而連接負載的一極為負極積累負電荷, 使C2電容上的電壓等于UCQ。旁路電容上連接在發射機上的一極為正極上會積累正電荷, 連接地的一極為負極積累負電荷, 使Ce上電壓等于UEQ。當信號源加入時, 由于需要放大的信號比較小, 使得信號源產生的交流電壓, 疊加在電容的靜態電壓上, 引起電容上兩塊極板上電荷量的變化, 形成電流進行傳輸。從這里也可以看出, 由于耦合電容極旁路電容的存在, 使得動態信號疊加在靜態電壓之上, 分析時動靜態分離, 且uo的輸出為純交流信號。
4 總結
具有靜態工作點穩定作用的阻容耦合單管共射放大電路所包含的內容非常豐富, 認真透徹的分析該電路, 能再放大、電容工作原理及頻率響應方面都有深入的理解, 對模擬電路整個系統知識的深入學習打下基礎。














